-
-
-
Tổng tiền thanh toán:
-
Mr.Xuân: 0904656786
Mr Tuấn: 0342658588
Mr Mạnh: 0346383836

Mâm cặp 3 chấu tự định tâm này là thiết bị gia công phổ biến được sử dụng trên các máy công cụ như máy tiện, máy mài, máy khoan lỗ sâu ... Ngoài ra chúng có thể được sử dụng trên máy khoan, máy phay, .. bằng cách được gắn trên các thiết bị định vị. Ngoài ra, chúng có thể được thiết kế để có lỗ trục chính lớn để lắp đặt trên các máy gia công đường ống như thiết bị định vị hàn. Mâm cặp 3 chấu tự định tâm có thể được đặt theo kích thước tùy chỉnh để đáp ứng nhu cầu cụ thể của khách hàng. Hãng đã từng cung cấp mâm cặp cuộn tự định tâm 2600mm 3 chấu được lắp trên máy tiện đứng.
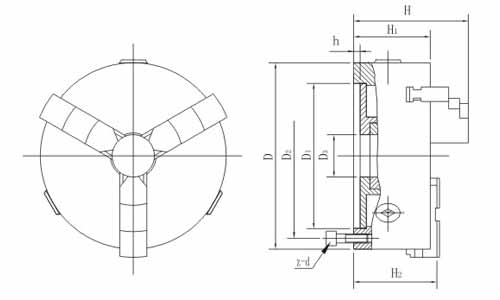
Mâm cặp 3 chấu tự định tâm này có sẵn với đế được làm bằng thép, chấu cặp loại 1 thân liền hoặc 2 phần ghép vào với nhau, có 2 loại chấu cứng và chấu mềm để dễ thao tác và kẹp chặt nhanh chóng. Độ chính xác căn giữa của chúng cao, phù hợp với ISO, DIN được thế giới công nhận.


- Mâm cặp 3 chấu
- Đường kính mâm cặp: 800mm
- Phạm vi kẹp ngoài: 50-350mm
- Phạm vi kẹp bung: 300-800mm
- Phạm vi kẹp chấu trái: 300-800mm
- Chiều dài mâm cặp chưa gồm chấu: 149mm
- Chiều dày mâm cặp gồm cả chiều cao chấu cặp: 247mm
- Trọng lượng mâm cặp: 305kg
Côn mâm cặp kết nối với trục chính
Với các dòng mâm cặp 3 chấu tự định tâm máy tiện đường kính 800mm K11-800 có giá cả tương đối rẻ so với mâm Đài Loan. Mâm cặp 3 chấu đường kính 800mm có giá 158.200.000 VND
Mâm cặp 3 chấu đường kính 800mm là dòng mâm cặp đường kính lớn, để đảm bảo kết nối với mâm cặp cần lựa chọn chuẩn xác dạng kiểu côn trục chính trên máy tiện.
Mâm cặp kiểu A, A1 hay A2 phù hợp với côn trục chính kiểu A1, A2
Mâm cặp kiểu L phù hợp với côn trục chính kiểu L
Mâm cặp kiểu dạng D phù hợp với côn trục chính dạng D


Hay còn gọi là dạng camlock
Bên cạnh đó chúng tôi còn cung cấp mâm cặp với các kích thước khác như:
Mâm cặp 3 chấu đường kính mâm cặp 80mm model K11-80 hay còn gọi mâm cặp 3 chấu 80mm
Mâm cặp 3 chấu đường kính mâm cặp 100mm model K11-100 hay còn gọi mâm cặp 3 chấu 100mm
Mâm cặp 3 chấu đường kính mâm cặp 125mm model K11-125 hay còn gọi mâm cặp 3 chấu 125mm
Mâm cặp 3 chấu đường kính mâm cặp 130mm model K11-130 hay còn gọi mâm cặp 3 chấu 130mm
Mâm cặp 3 chấu đường kính mâm cặp 160mm model K11-160 hay còn gọi mâm cặp 3 chấu 160mm
Mâm cặp 3 chấu đường kính mâm cặp 200mm model K11-200 hay còn gọi mâm cặp 3 chấu 200mm
Mâm cặp 3 chấu đường kính mâm cặp 240mm model K11-240 hay còn gọi mâm cặp 3 chấu 240mm
Mâm cặp 3 chấu đường kính mâm cặp 250mm model K11-250 hay còn gọi mâm cặp 3 chấu 250mm
Mâm cặp 3 chấu đường kính mâm cặp 315mm model K11-315 hay còn gọi mâm cặp 3 chấu 315mm
Mâm cặp 3 chấu đường kính mâm cặp 320mm model K11-320 hay còn gọi mâm cặp 3 chấu 320mm
Mâm cặp 3 chấu đường kính mâm cặp 400mm model K11-400 hay còn gọi mâm cặp 3 chấu 400mm
Mâm cặp 3 chấu đường kính mâm cặp 500mm model K11-500 hay còn gọi mâm cặp 3 chấu 500mm
Mâm cặp 3 chấu đường kính mâm cặp 630mm model K11-630 hay còn gọi mâm cặp 3 chấu 630mm
Mâm cặp 3 chấu đường kính mâm cặp 800mm model K11-800 hay còn gọi mâm cặp 3 chấu 800mm
Mâm cặp 3 chấu đường kính mâm cặp 1000mm model K11-1000 hay còn gọi mâm cặp 3 chấu 1000mm
Mâm cặp 4 chấu đường kính mâm cặp 80mm model K12-80G hay còn gọi mâm cặp 4 chấu 80mm
Mâm cặp 4 chấu đường kính mâm cặp 100mm model K12-100 hay còn gọi mâm cặp 4 chấu 100mm
Mâm cặp 4 chấu đường kính mâm cặp 130mm model K12-130 hay còn gọi mâm cặp 4 chấu 130mm
Mâm cặp 4 chấu đường kính mâm cặp 160mm model K12-160 hay còn gọi mâm cặp 4 chấu 160mm
Mâm cặp 4 chấu đường kính mâm cặp 200mm model K12-200 hay còn gọi mâm cặp 4 chấu 200mm
Mâm cặp 4 chấu đường kính mâm cặp 250mm model K12-250 hay còn gọi mâm cặp 4 chấu 250mm
Mâm cặp 4 chấu đường kính mâm cặp 320mm model K12-320 hay còn gọi mâm cặp 4 chấu 320mm
Mâm cặp 4 chấu đường kính mâm cặp 400mm model K12-400 hay còn gọi mâm cặp 4 chấu 400mm
Mâm cặp 4 chấu đường kính mâm cặp 630mm model K12-630 hay còn gọi mâm cặp 4 chấu 630mm