-
-
-
Tổng tiền thanh toán:
-
Mr.Xuân: 0904656786
Mr Tuấn: 0342658588
Mr Mạnh: 0346383836
Vít rút dao hay còn được gọi với các tên như đuôi chuột gá đầu dao phay, pull stud, vít rút chuôi dao, ty rút chuôi dao, vít rút chuôi dao BT30, vít rút chuôi dao BT40, vít rút chuôi dao BT50, vít rút cho bầu kẹp BT, vít rút có lỗ thông hơi, đuôi chuột có lỗ thông ở giữa, đuôi chuột lắp bầu BT.
Vít rút dao hay đuôi chuột có một đầu ren để vặn vào thân của chuôi dao BT, một đầu có dạng bậc để sau được kẹp giữ trên trục chính sao cho bề mặt côn của trục chính luôn tiếp xúc với bề mặt côn của chuôi dao BT.
Trên đầu bậc của vít rút dao, mỗi dòng máy thì bậc trên lại có góc khác nhau trong đó phổ biến là góc 45 độ , 60 độ và 90 độ. Do đó cũng chia vít rút dao bên cạnh cho dòng BT30, BT40, BT50 còn chia theo góc độ trên.

- vít rút chuôi dao BT30 góc 45 độ

- Vít rút chuôi dao BT30 góc 60 độ

- Vít rút chuôi dao BT30 góc 90 độ

- Vít rút chuôi dao BT40 góc 45 độ

- Vít rút chuôi dao BT40 góc 60 độ

- Vít rút chuôi dao BT40 góc 90 độ

- Vít rút chuôi dao BT50 góc 45 độ

- Vít rút chuôi dao BT50 góc 60 độ

- Vít rút chuôi dao BT50 góc 90 độ

Trong các loại trên thì đều chia ra là có lỗ thông ở giữa hoặc không có lỗ thông ở giữa. Lỗ thông ở giữa có tác dụng cho dung dịch tưới nguội đi qua

Tương ứng với các mã vít rút dao của Vertex: BT-510, BT-501, BT-502, BT-511, BT-503, BT-504, BT-512, BT-505, BT-506, BT-516, BT-517, BT-518, BT-519, BT-520, BT-521, BT-522, BT-523, BT-524, BT-525, BT-526, BT-527, BT-528, BT-529, BT-530, BT-531, BT-532, BT-533, BT-534, BT-535, BT-536, BT-537, BT-538, BT-539, BT-540, BT-541, BT-542, BT-543, BT-544, BT-545, BT-546, BT-547, BT-548, BT-556
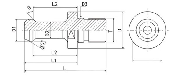
Để mua đuôi chuột hay pull stud cần đo các thông số.
Tương ứng với các kích thước

1. Chiều dài tổng thể L
2. Chiều dài L2
3. Kích thước D3
4. Ren bắt với chuôi dao T
Ngoài ra còn cần quan tâm đến góc 45, 60 hay 90 độ. Có làm mát xuyên tâm hay không.
Bảng thông số vít rút dao tiêu chuẩn BT.
Bảng thông số vít rút dao Mazak
Vít rút dao tiêu chuẩn JIS-B6339
Vít rút dao tiêu chuẩn DIN 